Wymiana lub instalacja domofonu może wydawać się skomplikowanym zadaniem, ale z odpowiednim przewodnikiem i podstawową wiedzą techniczną, możesz z powodzeniem wykonać to samodzielnie. Ten artykuł to praktyczny poradnik, który krok po kroku przeprowadzi Cię przez cały proces, od rozpoznania typu instalacji po rozwiązywanie najczęstszych problemów, zarówno w bloku, jak i w domu jednorodzinnym.
Samodzielna wymiana domofonu kluczowe kroki do sprawnej instalacji
- Zawsze zaczynaj od identyfikacji typu systemu domofonowego: cyfrowy (dwużyłowy) lub analogowy (wielożyłowy).
- Przed demontażem starego unifonu, koniecznie udokumentuj podłączenie przewodów (zdjęcie, opis).
- Wybieraj nowy unifon kompatybilny z systemem w Twoim budynku, sprawdzając tabele zgodności producentów.
- Pamiętaj o podstawowych narzędziach, takich jak śrubokręty, ściągacz izolacji i próbnik napięcia.
- Najczęstsze problemy wynikają ze złego podłączenia żył lub błędnego ustawienia zworek w systemach cyfrowych.
- Instalacja domofonu w domu jednorodzinnym wymaga dodatkowego planowania okablowania między kasetą zewnętrzną a unifonem.
Kiedy samodzielna wymiana unifonu jest dobrym pomysłem?
Samodzielna wymiana unifonu to doskonały pomysł, gdy chcemy po prostu zastąpić stary, uszkodzony lub nieestetyczny aparat nowym, bez ingerencji w wspólną instalację budynku. W większości przypadków, szczególnie w blokach mieszkalnych, wymiana unifonu wewnątrz lokalu jest czynnością dozwoloną i nie wymaga zgody administracji, czy to spółdzielni, czy wspólnoty mieszkaniowej. Ważne jest jednak, aby nowy unifon był kompatybilny z istniejącym systemem, co jest kluczowe dla jego prawidłowego działania.
Jakie narzędzia będą Ci niezbędne? Przygotuj swój warsztat pracy
Zanim przystąpisz do pracy, upewnij się, że masz pod ręką wszystkie niezbędne narzędzia. Dobrze przygotowany warsztat to podstawa sprawnego i bezpiecznego montażu. Oto, co będzie Ci potrzebne:
- Śrubokręty (krzyżakowy i płaski): Niezbędne do odkręcenia obudowy starego unifonu oraz zamocowania nowego. Przydadzą się również do dokręcania zacisków.
- Ściągacz izolacji: Umożliwi precyzyjne usunięcie izolacji z przewodów bez uszkodzenia miedzianych żył. To kluczowe dla prawidłowego połączenia.
- Próbnik napięcia: Absolutnie niezbędny do sprawdzenia, czy zasilanie zostało odłączone i czy w przewodach nie ma prądu. Bezpieczeństwo przede wszystkim!
- Małe kombinerki lub szczypce do cięcia przewodów: Przydatne do przycięcia przewodów na odpowiednią długość, jeśli zajdzie taka potrzeba.
- Ewentualnie wiertarka z wiertłami: Jeśli nowy unifon ma inne otwory montażowe niż stary lub jeśli montujesz go w nowym miejscu, wiertarka będzie konieczna do wykonania otworów w ścianie.
Bezpieczeństwo przede wszystkim: o czym pamiętać przed rozpoczęciem prac
Przed rozpoczęciem jakichkolwiek prac związanych z instalacją elektryczną, a domofon taką jest, bezpieczeństwo musi być Twoim priorytetem. Zawsze zaczynaj od odłączenia zasilania. W przypadku domofonów w blokach często zasilanie jest wspólne dla pionu, więc najlepiej jest skonsultować się z administratorem budynku lub poszukać głównego wyłącznika domofonu. Jeśli nie masz pewności, poproś o pomoc sąsiada, aby sprawdził, czy jego domofon również przestał działać po odłączeniu zasilania. Użyj próbnika napięcia, aby upewnić się, że w przewodach nie ma prądu. Nigdy nie pracuj pod napięciem!

Krok 1: Jak rozpoznać typ instalacji domofonowej?
Domofon cyfrowy czy analogowy? Prosty test, który rozwieje wątpliwości
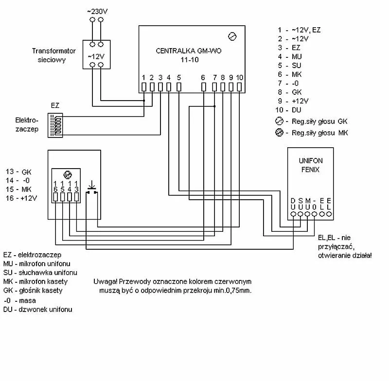
Rozpoznanie typu instalacji to pierwszy i jeden z najważniejszych kroków. W Polsce dominują dwa systemy domofonowe: cyfrowy i analogowy. System cyfrowy jest zazwyczaj nowocześniejszy i charakteryzuje się tym, że do unifonu dochodzą zazwyczaj tylko dwie żyły jedna odpowiada za sygnał dodatni (+), druga za ujemny (-). Z kolei system analogowy jest starszy i łatwo go rozpoznać po większej liczbie przewodów. Do unifonu analogowego prowadzi zazwyczaj od 3 do 6 żył, z których każda odpowiada za inną funkcję, taką jak słuchawka, mikrofon, masa, wywołanie czy elektrozaczep. Wizualna ocena liczby przewodów to najprostszy sposób na szybką identyfikację.
Jak policzyć żyły i co oznaczają ich kolory w starych instalacjach?
Aby prawidłowo zidentyfikować system, należy dokładnie policzyć żyły, które dochodzą do starego unifonu. Po zdjęciu obudowy zobaczysz zaciski, do których są podłączone przewody. Policz je. Jeśli są tylko dwie, masz do czynienia z systemem cyfrowym. Jeśli jest ich więcej od trzech do sześciu to system analogowy. Pamiętaj, że kolory żył w starych instalacjach mogą być bardzo zróżnicowane i niestety nie zawsze są standardowe. Nie sugeruj się więc nimi zbytnio, ponieważ mogą wprowadzić w błąd. Kluczowa jest liczba żył, a nie ich barwa.
Gdzie szukać oznaczeń na starym unifonie? (MU, SU, MA, Z)
Często na płytce drukowanej starego unifonu lub bezpośrednio przy zaciskach znajdziesz oznaczenia, które są niezwykle pomocne przy podłączaniu nowego urządzenia. Warto ich poszukać i zapisać. Oto najczęściej spotykane skróty i ich znaczenie:
- MU (Mikrofon): Zacisk, do którego podłączony jest przewód mikrofonu.
- SU (Słuchawka): Zacisk odpowiadający za słuchawkę.
- MA (Masa): Wspólny przewód masowy, często oznaczany również jako "0" lub "COM".
- Z (Zamek): Zacisk odpowiedzialny za sterowanie elektrozaczepem, czyli otwieranie drzwi lub furtki.
Znalezienie tych oznaczeń i ich zrozumienie znacząco ułatwi podłączenie nowego unifonu, zwłaszcza w systemach analogowych.
Krok 2: Jak wybrać odpowiedni unifon?
Dlaczego kompatybilność z systemem w bloku jest najważniejsza?
Wybór odpowiedniego unifonu to nie tylko kwestia estetyki czy funkcji, ale przede wszystkim kompatybilności z istniejącym systemem domofonowym w Twoim budynku. Niezależnie od tego, czy masz system cyfrowy, czy analogowy, nowy unifon musi być z nim zgodny. Próba podłączenia unifonu cyfrowego do instalacji analogowej (lub odwrotnie) zakończy się niepowodzeniem i może nawet spowodować uszkodzenie urządzenia lub całej instalacji w pionie. Zawsze, jeśli masz wątpliwości, warto skontaktować się z administracją budynku i zapytać o typ zainstalowanego systemu. To uchroni Cię przed niepotrzebnymi problemami i kosztami.
Przegląd popularnych marek na polskim rynku (Urmet, Cyfral, Laskomex)
Na polskim rynku dostępnych jest wielu producentów unifonów, a wśród nich prym wiodą Urmet, Cyfral i Laskomex. To sprawdzone marki, które oferują szeroki wybór urządzeń kompatybilnych z większością systemów domofonowych. Co ważne, większość z nich udostępnia na swoich stronach internetowych szczegółowe tabele zgodności. Dzięki nim, znając typ swojej instalacji (np. Cyfral, Urmet 5-żyłowy), możesz łatwo dobrać odpowiedni model unifonu, który będzie bezproblemowo współpracował z Twoim systemem. Zawsze polecam sprawdzić takie tabele przed zakupem.
Funkcje dodatkowe, które mogą się przydać: regulacja głośności i wyłącznik dzwonka
Wybierając nowy unifon, warto zwrócić uwagę na dodatkowe funkcje, które mogą znacząco zwiększyć komfort użytkowania. Jedną z nich jest regulacja głośności dzwonka. Pozwala ona dostosować poziom dźwięku do Twoich preferencji, co jest szczególnie przydatne w domach z małymi dziećmi lub dla osób ceniących sobie ciszę. Inną praktyczną opcją jest wyłącznik dzwonka. Dzięki niemu możesz tymczasowo wyciszyć domofon, co jest idealne podczas drzemki, ważnego spotkania czy po prostu, gdy nie chcesz być niepokojony. To małe udogodnienia, które robią dużą różnicę w codziennym życiu.
Krok 3: Bezpieczny demontaż starego domofonu
Jak bezpiecznie zdjąć obudowę i odłączyć stary aparat?
Kiedy już upewniłeś się, że zasilanie jest odłączone, możesz przystąpić do demontażu starego unifonu. Oto jak to zrobić krok po kroku:
- Zdejmij obudowę: Zazwyczaj obudowa unifonu jest mocowana na zatrzaski lub małe śrubki. Ostrożnie podważ ją płaskim śrubokrętem lub odkręć śrubki.
- Ostrożnie otwórz aparat: Po zdjęciu zewnętrznej obudowy uzyskasz dostęp do wnętrza unifonu i płytki drukowanej z zaciskami.
- Sprawdź ponownie brak napięcia: Użyj próbnika napięcia, aby upewnić się, że w żadnym z przewodów nie ma prądu. To kluczowe dla Twojego bezpieczeństwa.
- Udokumentuj podłączenie: Zanim odłączysz przewody, wykonaj zdjęcie lub szczegółowy opis (o czym za chwilę).
- Odłącz przewody: Delikatnie odkręć śrubki zacisków i wyjmij przewody. Staraj się nie uszkodzić izolacji ani samych żył.
- Odkręć unifon od ściany: Zazwyczaj unifon jest mocowany na dwóch śrubkach. Odkręć je i zdejmij aparat ze ściany.
Dokumentacja to podstawa: zrób zdjęcie lub opisz podłączenie kabli!
To jest moment, którego absolutnie nie możesz pominąć. Zanim odłączysz choćby jeden przewód od starego unifonu, musisz dokładnie udokumentować, jak były podłączone. Najlepszym sposobem jest zrobienie kilku wyraźnych zdjęć (z różnych perspektyw) zacisków z podłączonymi przewodami. Jeśli masz system analogowy i znalazłeś oznaczenia (MU, SU, MA, Z), dodatkowo zapisz, który kolor przewodu był podłączony do którego zacisku. Możesz nawet narysować prosty schemat. Ta dokumentacja będzie Twoją mapą drogową podczas podłączania nowego unifonu i uchroni Cię przed godzinami frustrującego szukania błędu. Wierz mi, to oszczędza mnóstwo czasu i nerwów!
Krok 4: Precyzyjny montaż nowego domofonu
Podłączenie żył do nowego unifonu analogowego: schemat i objaśnienia
Jeśli masz system analogowy i dokładnie udokumentowałeś podłączenie starego unifonu, ten etap będzie znacznie prostszy. Pamiętaj, że nowy unifon analogowy również będzie miał zaciski z oznaczeniami, które odpowiadają funkcjom żył. Twoim zadaniem jest podłączenie przewodów do odpowiednich zacisków w nowym unifonie, bazując na Twojej dokumentacji. Przykładowo, jeśli na starym unifonie przewód czerwony był podłączony do zacisku MU (mikrofon), to w nowym unifonie również podłącz czerwony przewód do zacisku oznaczonego jako mikrofon (lub podobnie, np. MIC). Analogicznie postępuj z pozostałymi żyłami:
- MU (Mikrofon): Podłącz przewód od mikrofonu.
- SU (Słuchawka): Podłącz przewód od słuchawki.
- MA (Masa): Podłącz przewód masowy.
- Z (Zamek): Podłącz przewód odpowiedzialny za otwieranie zamka.
Upewnij się, że izolacja jest zdjęta na odpowiednią długość (ok. 5-7 mm), a przewody są mocno dokręcone w zaciskach, aby zapewnić stabilne połączenie.
Podłączenie domofonu cyfrowego: jak prawidłowo ustawić zworki?
W przypadku domofonu cyfrowego podłączenie jest zazwyczaj prostsze, ponieważ masz tylko dwie żyły: plus (+) i minus (-). Ważne jest, aby podłączyć je prawidłowo do odpowiednich zacisków w nowym unifonie, zgodnie z jego instrukcją. Zazwyczaj są one wyraźnie oznaczone. Kluczowym elementem w systemach cyfrowych jest jednak prawidłowe ustawienie zworek. Zworki to małe elementy na płytce drukowanej, które służą do nadania unifonowi odpowiedniego "adresu", czyli numeru Twojego mieszkania. W instrukcji nowego unifonu znajdziesz tabelę lub schemat, który pokaże Ci, jak ustawić zworki, aby odpowiadały numerowi Twojego lokalu. To bardzo ważne, ponieważ błędne ustawienie zworek spowoduje, że domofon nie będzie dzwonił pod Twoim numerem lub będzie dzwonił pod innym.Montaż aparatu na ścianie: jak zadbać o stabilność i estetykę?
Po podłączeniu przewodów, czas na zamocowanie unifonu na ścianie. Zazwyczaj nowy unifon montuje się w miejscu starego. Jeśli otwory montażowe się pokrywają, wystarczy przykręcić nową obudowę. Jeśli nie, być może będziesz musiał wywiercić nowe otwory, pamiętając o ostrożności, aby nie uszkodzić ukrytych przewodów czy rur. Upewnij się, że unifon jest zamocowany stabilnie i równo. Po przykręceniu obudowy, załóż zewnętrzną pokrywę, dbając o to, by wszystkie elementy dobrze do siebie pasowały. Estetyka montażu jest równie ważna jak jego poprawność techniczna w końcu to element, który będzie widoczny w Twoim mieszkaniu.
Krok 5: Testowanie i rozwiązywanie typowych problemów
Domofon nie dzwoni lub dzwoni cały czas: gdzie szukać przyczyny?
Po zamontowaniu unifonu i włączeniu zasilania, nadszedł czas na testy. Jeśli domofon nie dzwoni wcale lub, co gorsza, dzwoni bez przerwy, najczęstsze przyczyny to:
- Złe podłączenie żył: W systemach analogowych sprawdź, czy przewód odpowiedzialny za wywołanie (dzwonienie) jest prawidłowo podłączony.
- Błędne ustawienie zworek: W systemach cyfrowych upewnij się, że zworki są ustawione zgodnie z numerem Twojego mieszkania. To najczęstsza przyczyna problemów z dzwonieniem w "cyfrze".
- Uszkodzony przycisk dzwonka: Rzadziej, ale zdarza się, że sam przycisk dzwonka w unifonie jest uszkodzony.
Sprawdź dokładnie te punkty, a w większości przypadków problem zostanie rozwiązany.
Nie słychać rozmówcy lub rozmówca nie słyszy Ciebie: typowe błędy w podłączeniu
Problemy z dźwiękiem, takie jak brak możliwości usłyszenia rozmówcy lub sytuacja, w której rozmówca nie słyszy Ciebie, niemal zawsze wskazują na błędne podłączenie żył. W systemach analogowych sprawdź, czy przewody mikrofonu (MU) i słuchawki (SU) są prawidłowo podłączone do odpowiednich zacisków. Upewnij się również, że przewód masowy (MA) jest dobrze podłączony, ponieważ jest on wspólny dla obu funkcji. W systemach cyfrowych problem może wynikać z nieprawidłowego podłączenia żył + i -, co wpływa na całą komunikację. Czasem wystarczy mocniej dokręcić śrubki zacisków, aby poprawić kontakt.
Elektrozaczep nie otwiera furtki: co sprawdzić w pierwszej kolejności?
Jeśli po naciśnięciu przycisku otwierania drzwi elektrozaczep nie reaguje, problem może leżeć w kilku miejscach. W pierwszej kolejności upewnij się, że przewód odpowiedzialny za zamek (Z) jest prawidłowo podłączony w Twoim unifonie. Sprawdź również, czy jest on dobrze dokręcony. Często jednak problem z elektrozaczepem nie leży w samym unifonie, ale w instalacji budynku na przykład w uszkodzonym przewodzie prowadzącym do elektrozaczepu lub w samym elektrozaczepie. W takiej sytuacji, jeśli wszystkie połączenia w unifonie są poprawne, konieczna może być interwencja administratora budynku lub fachowca.
Co zrobić, jeśli przypadkowo spowodujesz zwarcie w instalacji?
W trakcie prac zawsze istnieje ryzyko przypadkowego zwarcia, zwłaszcza jeśli przewody dotkną się wzajemnie, gdy zasilanie nie jest całkowicie odłączone. Jeśli zauważysz iskrzenie, usłyszysz trzask lub poczujesz zapach spalenizny, natychmiast odłącz zasilanie. Zwarcie w instalacji domofonowej, szczególnie w bloku, może unieruchomić domofon w całym pionie, a nawet w całym budynku. W takiej sytuacji nie próbuj naprawiać tego samodzielnie, chyba że masz doświadczenie elektryczne. Najbezpieczniej jest skontaktować się z administratorem budynku lub wezwać wykwalifikowanego elektryka, który zdiagnozuje i usunie usterkę. Lepiej zapobiegać niż leczyć, dlatego zawsze podkreślam wagę odłączenia zasilania przed rozpoczęciem pracy.
Montaż domofonu w domu jednorodzinnym: kluczowe różnice
Planowanie instalacji: od furtki do wnętrza domu
Montaż domofonu w domu jednorodzinnym różni się znacząco od wymiany unifonu w bloku. Tutaj mamy do czynienia z kompletną instalacją, która obejmuje nie tylko unifon lub monitor wewnątrz domu, ale także kasetę zewnętrzną (bramofon) umieszczoną przy furtce lub bramie. To oznacza, że musimy zaplanować i poprowadzić okablowanie między tymi dwoma punktami, a także do elektrozaczepu w furtce. Często wiąże się to z koniecznością wykonania wykopów pod ziemią lub prowadzenia przewodów w specjalnych peszlach, aby zapewnić ich ochronę przed warunkami atmosferycznymi i uszkodzeniami mechanicznymi. To wymaga znacznie więcej planowania i pracy.
Przeczytaj również: Jak podłączyć Cyfral Smart 5P? Instrukcja krok po kroku
Podłączenie kasety zewnętrznej i elektrozaczepu: najważniejsze zasady
W domu jednorodzinnym musimy podłączyć nie tylko unifon, ale także kasetę zewnętrzną i elektrozaczep. Kaseta zewnętrzna (bramofon) jest sercem systemu na zewnątrz i to do niej doprowadzane są przewody zasilające oraz komunikacyjne. Podłączenie elektrozaczepu w furtce wymaga poprowadzenia do niego przewodów zasilających, które często są sterowane przez kasetę zewnętrzną lub bezpośrednio z zasilacza domofonu. Należy pamiętać o użyciu przewodów przeznaczonych do instalacji zewnętrznych, które są odporne na wilgoć, promieniowanie UV i niskie temperatury. Schematy podłączenia będą się różnić w zależności od producenta i modelu domofonu, dlatego zawsze należy szczegółowo zapoznać się z instrukcją obsługi zakupionego zestawu. To jest znacznie bardziej rozbudowana instalacja niż prosta wymiana unifonu w mieszkaniu.
